
Параметр Значение
Грузоподъемность 165 кг
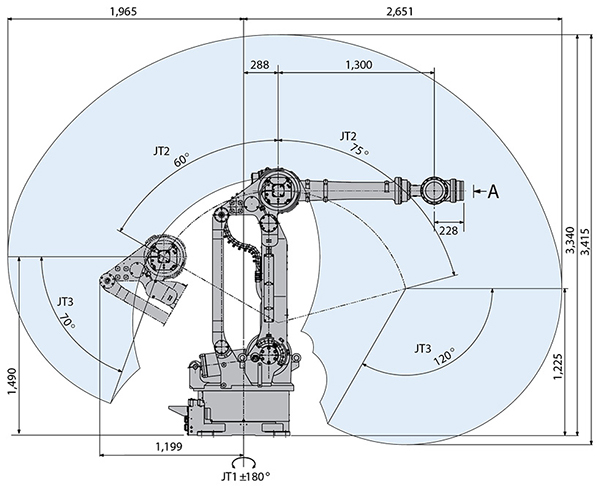
Радиус 2651 мм
Точность 0.3 мм
Ось 6
Монтажное положение Пол
Температурный режим 0–40°C
Относительная влажность 35–85% (строгое отсутствие конденсата или инея)
Вес 1350 кг
Сустав Диапазон Максимальная скорость
Рука вращение (JT1) ±180° 110 °/с
Рука вперед-назад (JT2) +75 - −60° 110 °/с
Рука вверх-вниз (JT3) +250 - −120° 115 °/с
Запястье поворот (JT4) ±360° 140 °/с
Запястье сгиб (JT5) ±130° 155 °/с
Запястье вращение (JT6) ±360° 260 °/с
Выберите нужный документ из списка
Свяжитесь с нашими специалистами и получите преимущество в автоматизации.
Мы перезвоним в ближайшее время. Обсудим задачи и предложим оптимальные решения.
Оставьте заявку и мы перезвоним в ближайшее время.