
Параметр Значение
Грузоподъемность 15 кг
Радиус 3150 мм
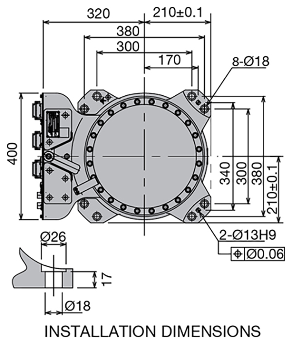
Точность 0.06 мм
Ось 6
Монтажное положение Пол, потолок
Температурный режим 0–40°C
Относительная влажность 35–85% (строгое отсутствие конденсата или инея)
Вес 545 кг
Сустав Диапазон Максимальная скорость
Рука вращение (JT1) ±180° 180 °/с
Рука вперед-назад (JT2) ±140 - −105° 180 °/с
Рука вверх-вниз (JT3) ±135 - −155° 200 °/с
Запястье поворот (JT4) ±360° 410 °/с
Запястье сгиб (JT5) ±145° 360 °/с
Запястье вращение (JT6) ±360° 610 °/с
Выберите нужный документ из списка
Свяжитесь с нашими специалистами и получите преимущество в автоматизации.
Мы перезвоним в ближайшее время. Обсудим задачи и предложим оптимальные решения.
Оставьте заявку и мы перезвоним в ближайшее время.