
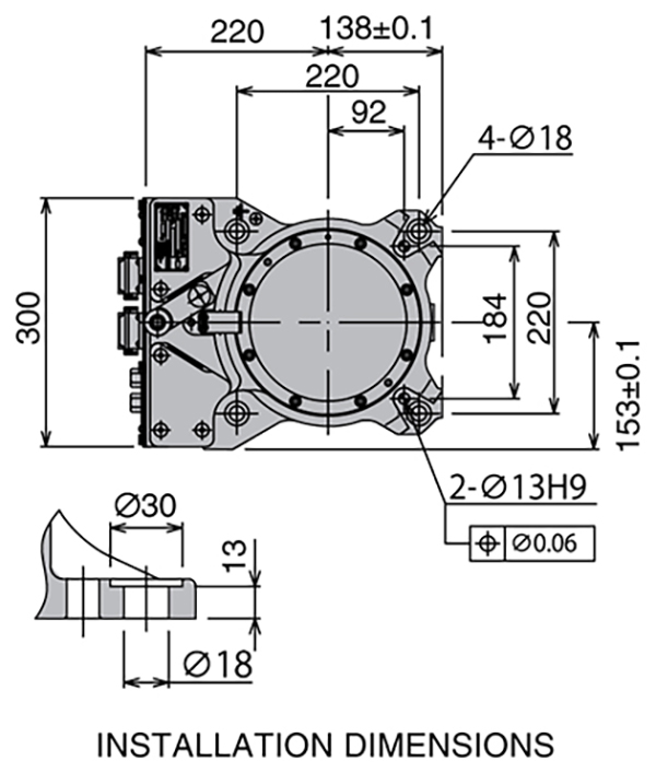
Параметр Значение
Грузоподъемность 10 кг
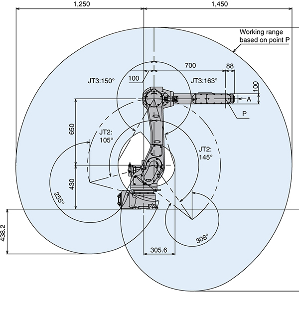
Радиус 1450 мм
Точность 0.03 мм
Ось 6
Монтажное положение Пол, потолок
Температурный режим 0–40°C
Относительная влажность 35–85% (строгое отсутствие конденсата или инея)
Вес 150 кг
Сустав Диапазон Максимальная скорость
Рука вращение (JT1) ±180° 250 °/с
Рука вперед-назад (JT2) ±145 - −105° 250 °/с
Рука вверх-вниз (JT3) ±150 - −163° 215 °/с.
Запястье поворот (JT4) ±270° 365 °/с
Запястье сгиб (JT5) ±145° 380 °/с
Запястье вращение (JT6) ±360° 700 °/с
Выберите нужный документ из списка
Свяжитесь с нашими специалистами и получите преимущество в автоматизации.
Мы перезвоним в ближайшее время. Обсудим задачи и предложим оптимальные решения.
Оставьте заявку и мы перезвоним в ближайшее время.