
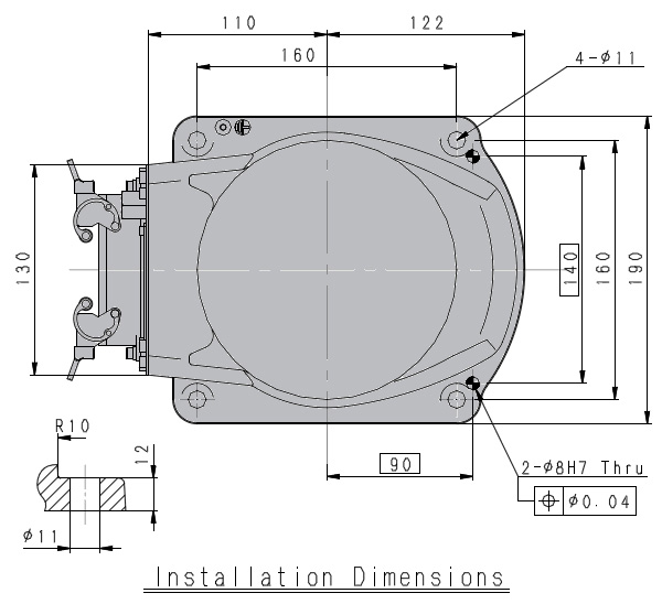
Параметр Значение
Грузоподъемность 7 кг
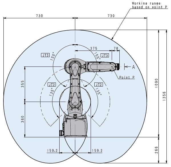
Радиус 730 мм
Точность 0.03 мм
Ось 6
Монтажное положение Пол, потолок
Температурный режим 0–40°C
Относительная влажность 35–85% (строгое отсутствие конденсата или инея)
Вес 35 кг
Сустав Диапазон Максимальная скорость
Рука вращение (JT1) ±180° 470 °/с
Рука вперед-назад (JT2) ±135° 380 °/с
Рука вверх-вниз (JT3) ±155° 520 °/с.
Запястье поворот (JT4) ±200° 550 °/с
Запястье сгиб (JT5) ±125° 550 °/с
Запястье вращение (JT6) ±360° 1000 °/с
Выберите нужный документ из списка
Свяжитесь с нашими специалистами и получите преимущество в автоматизации.
Мы перезвоним в ближайшее время. Обсудим задачи и предложим оптимальные решения.
Оставьте заявку и мы перезвоним в ближайшее время.