
Параметр Значение
Грузоподъемность 5 кг
Радиус 903 мм
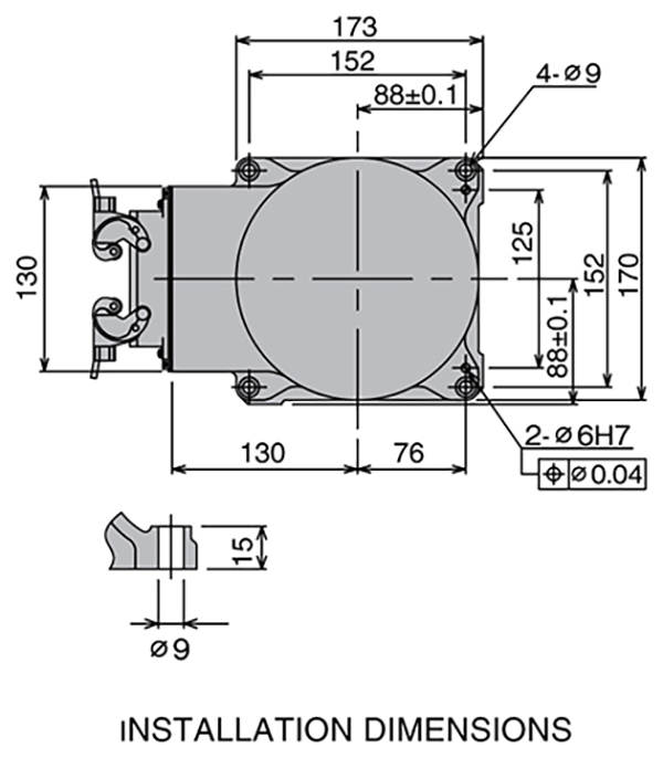
Точность 0.04 мм
Ось 6
Монтажное положение Пол, потолок
Температурный режим 0–40°C
Относительная влажность 35–85% (строгое отсутствие конденсата или инея)
Вес 37 кг
Сустав Диапазон Максимальная скорость
Рука вращение (JT1) ±180° 300 °/с
Рука вперед-назад (JT2) ±135 - −80° 300 °/с
Рука вверх-вниз (JT3) ±118 - −172° 300 °/с.
Запястье поворот (JT4) ±360° 460 °/с
Запястье сгиб (JT5) ±145° 460 °/с
Запястье вращение (JT6) ±360° 740 °/с
Выберите нужный документ из списка
Свяжитесь с нашими специалистами и получите преимущество в автоматизации.
Мы перезвоним в ближайшее время. Обсудим задачи и предложим оптимальные решения.
Оставьте заявку и мы перезвоним в ближайшее время.