
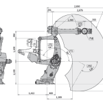
Параметр Значение
Грузоподъемность 710 кг
Радиус 2930 мм
Точность 0.08 мм
Ось 6
Монтажное положение Пол
Температурный режим 0–40°C
Относительная влажность 35–85% (строгое отсутствие конденсата или инея)
Вес 2750 кг
Сустав Диапазон Максимальная скорость
Рука вращение (JT1) ±160° 82 °/с
Рука вперед-назад (JT2) ±90 - −64° 70 °/с
Рука вверх-вниз (JT3) ±40 - −120° 70 °/с.
Запястье поворот (JT4) ±360° 90 °/с
Запястье сгиб (JT5) ±122° 90 °/с
Запястье вращение (JT6) ±360° 160 °/с
Выберите нужный документ из списка
Свяжитесь с нашими специалистами и получите преимущество в автоматизации.
Мы перезвоним в ближайшее время. Обсудим задачи и предложим оптимальные решения.
Оставьте заявку и мы перезвоним в ближайшее время.