
Параметр Значение
Грузоподъемность 360 кг
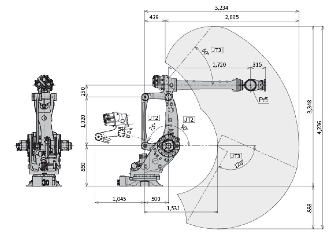
Радиус 3.234 мм
Точность 0.08 мм
Ось 6
Монтажное положение Пол
Температурный режим 0–40°C
Относительная влажность 35–85% (строгое отсутствие конденсата или инея)
Вес 1550 кг
Сустав Диапазон Максимальная скорость
Рука вращение (JT1) ±160° 100 °/с
Рука вперед-назад (JT2) ±90 - −75° 86 °/с
Рука вверх-вниз (JT3) ±50 - −120° 86 °/с.
Запястье поворот (JT4) ±360° 105 °/с
Запястье сгиб (JT5) ±125° 105 °/с
Запястье вращение (JT6) ±360° 165 °/с
Выберите нужный документ из списка
Свяжитесь с нашими специалистами и получите преимущество в автоматизации.
Мы перезвоним в ближайшее время. Обсудим задачи и предложим оптимальные решения.
Оставьте заявку и мы перезвоним в ближайшее время.