
Параметр Значение
Грузоподъемность 500 кг
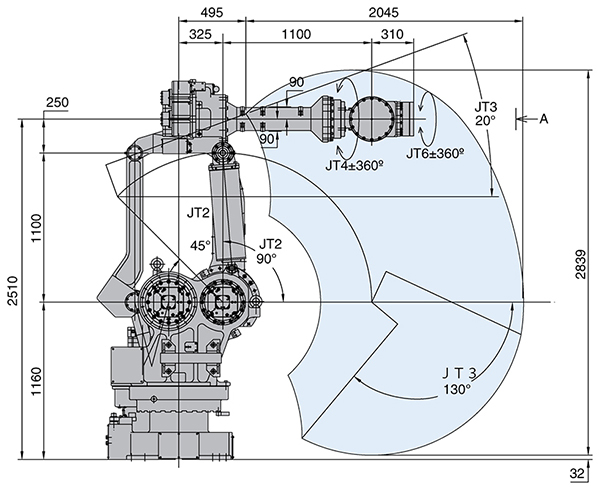
Радиус 2540 мм
Точность 0.5 мм
Ось 6
Монтажное положение Пол
Температурный режим 0–40°C
Относительная влажность 35–85% (строгое отсутствие конденсата или инея)
Вес 2,750 кг
Сустав Диапазон Максимальная скорость
Рука вращение (JT1) ±180° 80 °/с
Рука вперед-назад (JT2) ±90 - −45° 70 °/с
Рука вверх-вниз (JT3) ±20 - −130° 70 °/с.
Запястье поворот (JT4) ±360° 80 °/с
Запястье сгиб (JT5) ±110° 80 °/с
Запястье вращение (JT6) ±360° 120 °/с
Выберите нужный документ из списка
Свяжитесь с нашими специалистами и получите преимущество в автоматизации.
Мы перезвоним в ближайшее время. Обсудим задачи и предложим оптимальные решения.
Оставьте заявку и мы перезвоним в ближайшее время.