
Параметр Значение
Грузоподъемность 4 кг
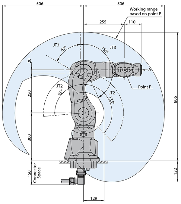
Радиус 505.8 мм
Точность 0.05 мм
Ось 6
Монтажное положение Пол
Температурный режим 0–40°C
Относительная влажность 35–85% (строгое отсутствие конденсата или инея)
Вес 120 кг
Сустав Диапазон
Рука вращение (JT1) ±180°
Рука вперед-назад (JT2) ±135 - −95°
Рука вверх-вниз (JT3) ±135 - −135°
Запястье поворот (JT4) ±360°
Запястье сгиб (JT5) ±360°
Запястье вращение (JT6) ±360°
Выберите нужный документ из списка
Свяжитесь с нашими специалистами и получите преимущество в автоматизации.
Мы перезвоним в ближайшее время. Обсудим задачи и предложим оптимальные решения.
Оставьте заявку и мы перезвоним в ближайшее время.