
Параметр Значение
Грузоподъемность 12 кг
Радиус 1973 мм
Точность 0.5 мм
Ось 6
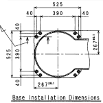
Монтажное положение Пол, стены
Температурный режим 0–40°C
Относительная влажность 35–85% (строгое отсутствие конденсата или инея)
Вес 720 кг
Сустав Диапазон
Рука вращение (JT1) ±150°
Рука вперед-назад (JT2) ±110 - −60°
Рука вверх-вниз (JT3) ±90 - −80°
Запястье поворот (JT4) ±720°
Запястье сгиб (JT5) ±720°
Запястье вращение (JT6) ±410°
Выберите нужный документ из списка
Свяжитесь с нашими специалистами и получите преимущество в автоматизации.
Мы перезвоним в ближайшее время. Обсудим задачи и предложим оптимальные решения.
Оставьте заявку и мы перезвоним в ближайшее время.