
Параметр Значение
Грузоподъемность 210 кг
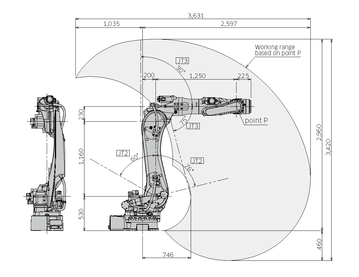
Радиус 2597 мм
Точность 0.06 мм
Ось 6
Тип Шарнирный робот
Монтажное положение Пол
Температурный режим 0–45°C
Относительная влажность 35–85% (строгое отсутствие конденсата или инея)
Вес 870 кг
Сустав Диапазон Скорость
Рука вращение (JT1) ±160° 140°/с
Рука вперед-назад (JT2) +76 - −60° 105°/с
Рука вверх-вниз (JT3) +90 - −75° 115°/с
Запястье поворот (JT4) ±210° 140°/с
Запястье сгиб (JT5) ±125° 135°/с
Запястье вращение (JT6) ±210° 240°/с
Выберите нужный документ из списка
Свяжитесь с нашими специалистами и получите преимущество в автоматизации.
Мы перезвоним в ближайшее время. Обсудим задачи и предложим оптимальные решения.
Оставьте заявку и мы перезвоним в ближайшее время.