
Параметр Значение
Грузоподъемность 3 кг
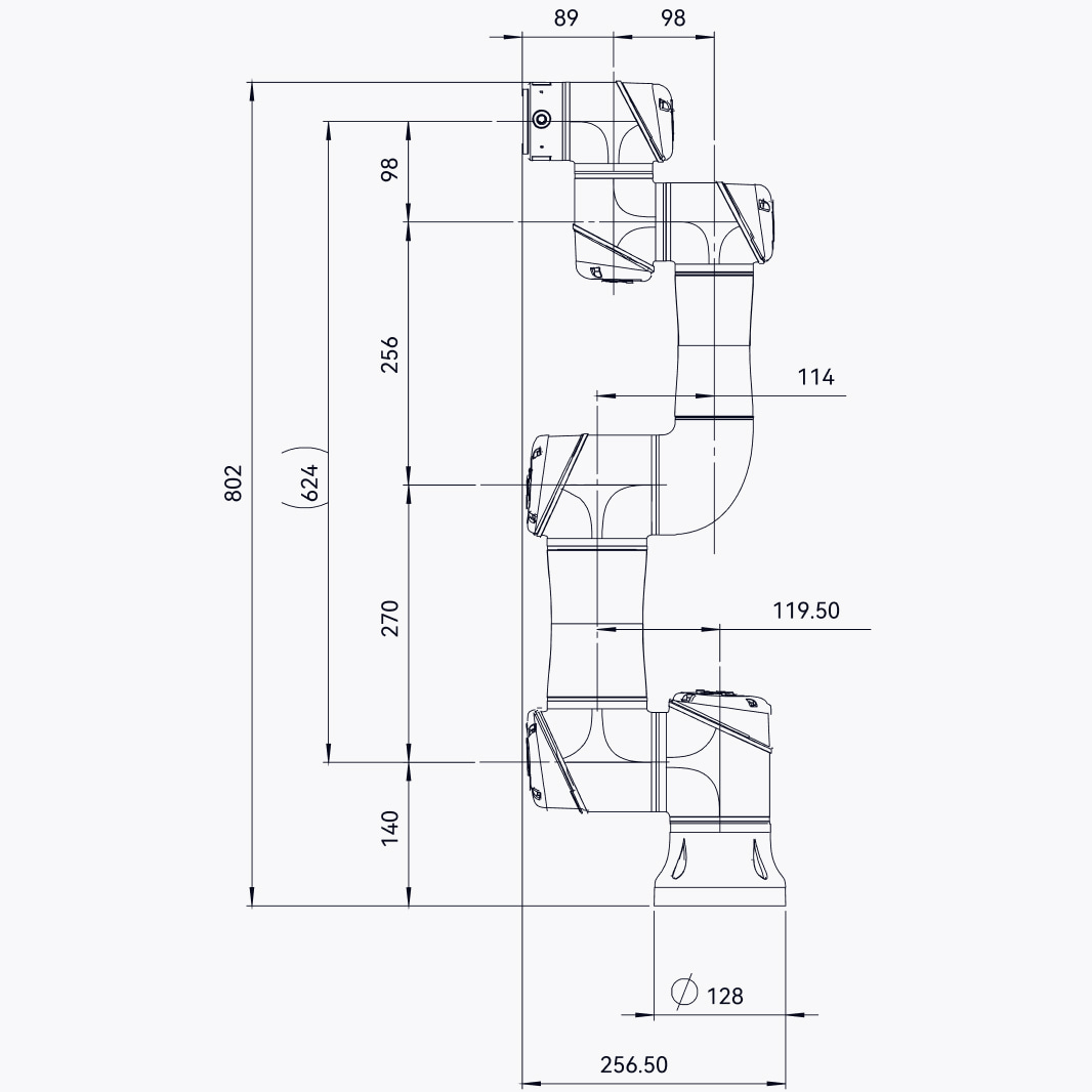
Радиус 624 мм
Повторяемость ±0,02 мм
Ось 6
Степень защиты IP IP54
Диапазон температур -10~50℃
Относительная влажность <90% (без конденсации)
Энергопотребление 185 Вт
Разъем ввода/вывода инструмента 12 контактный
Инструментальные порты ввода/вывода 2 DI, 2 DO; 1 AI, 1 AO
Источник питания для ввода/вывода инструмента 24V/2A
Коммуникация входов/выходов инструмента RS485, Modbus RTU
Площадь основания Ø 128 мм
Вес 13 кг
Сустав Диапазон Скорость
Соединение 1 ±360° 190°/с
Соединение 2 ±360° 190°/с
Соединение 3 ±360° 190°/с
Соединение 4 ±360° 260°/с
Соединение 5 ±360° 260°/с
Соединение 6 ±360° 260°/с
Типичная скорость TCP 1.5 м/с
Параметр Значение
Тип AC
Порты ввода/вывода 16 DI, 20 DO, 2 AI, 4 AO
Питание входов/выходов 24V/2A
Связь RS485/RS232, Ethernet TCP/IP, UDP, Modbus TCP/RTU, Ethernet/IP slave, Profinet slave, CCLink slave (опция)
Размер 505 мм x 246 мм x 447 мм
Степень защиты IP IP44
Вес 15 кг
Источник питания 90-264 В переменного тока, 50-60 Гц / 19-72 В постоянного тока100-240 Вт переменного тока, 50-60 Гц
Диапазон температур 0~50℃
Относительная влажность 5%-95% (без конденсации)
Материал Алюминий, сталь
Параметр Значение
Тип DC
Порты ввода/вывода 8 DI, 8 DO
Питание входов/выходов 24V/2A
Связь RS485, Ethernet TCP/IP, UDP, Modbus TCP/RTU, Ethernet/IP slave, Profinet slave, CCLink slave (опция)
Размер 205 мм x 135 мм x 40 мм
Степень защиты IP IP40
Вес 1,2 кг
Источник питания 45-55 В постоянного тока
Диапазон температур 0~50℃
Относительная влажность 5%-95% (без конденсации)
Материал Алюминий, сталь
Параметр Значение
Размер 290 мм x 225 мм x 118 мм
Размер экрана 8"
Разрешение 800 x 600 пикселей
Степень защиты IP IP40
Вес 1,2 кг
Длина кабеля 5.5 м
Диапазон температур 0~50℃
Относительная влажность 5%-95% (без конденсации)
Материал Алюминий, пластик
Способ ввода Резистивный сенсорный экран, клавиша включения 3 режимов, резервные клавиши
Коллаборативный робот EC63 (вес 13 кг; общая длина кобота 802 мм; площадь опоры Ø128 мм). В комплект входит стандартный кабель длиной 5,5 м (также доступны длины кабеля: 1,5 м; 3 м; 8 м; 10 м).
По умолчанию кобот поставляется со стандартным контроллером AC/DC (размер: 505 x 448 x 245 мм; вес: 14 кг). Дополнительно доступен ультракомпактный контроллер Mini (205 х 135 х 44 мм; 1,2 кг).
Выберите нужный документ из списка
Реализованные проекты по автоматизации производственных процессов
Свяжитесь с нашими специалистами и получите преимущество в автоматизации.
Мы перезвоним в ближайшее время. Обсудим задачи и предложим оптимальные решения.
Оставьте заявку и мы перезвоним в ближайшее время.