
Параметр Значение
Грузоподъемность 100 кг
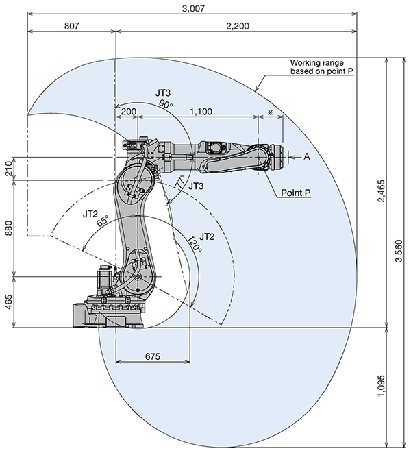
Радиус 2200 мм
Точность 0.06 мм
Ось 6
Тип Шарнирный робот
Монтажное положение Пол
Температурный режим 0–45°C
Относительная влажность 35–85% (строгое отсутствие конденсата или инея)
Вес 740 кг
Сустав Диапазон Скорость
Рука вращение (JT1) ±160° 135°/с
Рука вперед-назад (JT2) +120 - −65° 110°/с
Рука вверх-вниз (JT3) +90 - −77° 140°/с
Запястье поворот (JT4) ±210° 200°/с
Запястье сгиб (JT5) ±125° 200°/с
Запястье вращение (JT6) ±210° 300°/с
Выберите нужный документ из списка
Свяжитесь с нашими специалистами и получите преимущество в автоматизации.
Мы перезвоним в ближайшее время. Обсудим задачи и предложим оптимальные решения.
Оставьте заявку и мы перезвоним в ближайшее время.